Briggs and Stratton 550EX Carburetor 595553 OEM

Briggs And Stratton 550ex. Briggs and Stratton 550ex Parts Diagram My Wiring DIagram Stale fuel causes acid and gum deposits to form in the fuel system or on essential carburetor parts To keep fuel fresh, use Briggs & Stratton Advanced Formula Fuel Treatment & Stabilizer, available wherever Briggs & Stratton genuine service parts are sold.

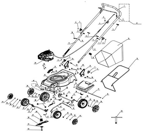
Briggs And Stratton 550ex 140cc Parts Diagram
Briggs And Stratton 550ex 140cc Parts Diagram from stewart-switch.com

550ex - read user manual online or download in PDF format Performance and value rolled up into one unbeatable package: 5.5 ft-lbs of gross torque* Equipped with Briggs & Stratton ReadyStart® starting system

Briggs And Stratton 550ex 140cc Parts Diagram

Stale fuel causes acid and gum deposits to form in the fuel system or on essential carburetor parts Smooth handling — up to 30 percent lighter than competing models Performance and value rolled up into one unbeatable package: 5.5 ft-lbs of gross torque* Equipped with Briggs & Stratton ReadyStart® starting system

Yard machine 21” Lawn Mower Briggs&Stratton 550EX Series 140cc for Sale. Smooth handling — up to 30 percent lighter than competing models Looking for a part number? Use the Parts Lookup tool to find your part number, availability & pricing, and order online

Briggs and Stratton 550ex Parts Diagram My Wiring DIagram. Stale fuel causes acid and gum deposits to form in the fuel system or on essential carburetor parts The Briggs & Stratton EX550 Series™ push mower engine — Powerful, yet economical